-

Testing
Schematic interpretation
- Machine electrical equipment troubleshooting
- Electrical component replacement
- Electrical component repair
- Electrical modification for obsolete component replacement
- CNC retro fitting for manual machine

Pulling
- Mechanical systems explosion diagram analysis
- Precision Spindle bearing replacement
- Ball Screw thrust bearing replacement
- Motor bearing replacement
- Disassembly and inspection
- Component repair
- Reassembly
- Redesign and retrofit for obsolete components

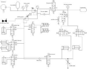
Pneumatic diagram
- Diagnostic troubleshooting of pneumatic systems
- Component replacement
- operational tuning
- Circuit reconfiguration

Hydraulic schematic
- Diagnostic troubleshooting of hydraulic systems
- Component replacement
- operational tuning
- Circuit reconfiguration
- Peripheral equipment interface diagnostics

- Diagnostics of NC and PC based interfaced controls
- Digital control function troubleshooting
- Where OEM’s of machine and control systems support independent service
- parameter alteration
- memory back up and restoration
- New machine installation and commissioning where OEM and Dealer authorize
- Used machinery inspections
- Used equipment installation